Overview
Multi media filter, also known as multi-media filter, is an important component of the pre-treatment and water purification system of pure water equipment. The current material is stainless steel 304 or 316L, which can be divided into natural quartz sand filter, activated carbon filter, multi-media filter, manganese sand filter, etc. according to the different filter media. It can be divided into single flow filter and double flow filter according to the water inlet method, and can be used in combination or separately according to the actual situation.
Scope of application
Multi media filters are widely used in water treatment processes, mainly for descaling, reverse osmosis, and pre-treatment of ion exchange softening desalination systems. They can also be used for sediment removal from surface water and groundwater. The inlet turbidity requirement is less than 20 degrees, and the outlet turbidity can reach below 3 degrees.
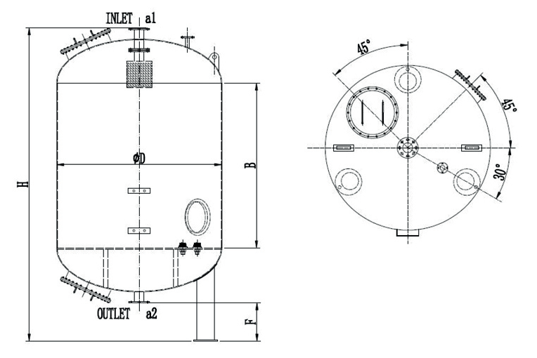
| Model | B (mm) | H (mm) | D (mm) | F (mm) | Inlet/Outlet a1/a2 | Exhaust vent |
| KY-JX-300*1200 | 1200 | 1800 | ∅300 | 300 | DN32 | DN20 |
| KY-JX-400*1500 | 1500 | 2150 | ∅400 | 300 | DN40 | DN20 |
| KY-JX-500*1500 | 1500 | 2230 | ∅500 | 300 | DN40 | DN25 |
| KY-JX-600*1500 | 1500 | 2290 | ∅600 | 300 | DN50 | DN25 |
| KY-JX-700*1500 | 1500 | 2340 | ∅700 | 300 | DN50 | DN25 |
| KY-JX-800*1500 | 1500 | 2390 | ∅800 | 300 | DN50 | DN25 |
| KY-JX-900*1500 | 1500 | 2600 | ∅900 | 300 | DN65 | DN25 |
| KY-JX-1000*1500 | 1500 | 2750 | ∅1000 | 400 | DN65 | DN25 |
| KY-JX-1100*1500 | 1500 | 2800 | ∅1100 | 400 | DN65 | DN25 |
| KY-JX-1200*1500 | 1500 | 2850 | ∅1200 | 400 | DN65 | DN25 |
| KY-JX-1400*1500 | 1500 | 2950 | ∅1400 | 400 | DN80 | DN25 |
| KY-JX-1500*1800 | 1800 | 3360 | ∅1500 | 400 | DN80 | DN25 |
| KY-JX-1600*1800 | 1800 | 3500 | ∅1000 | 400 | DN80 | DN25 |
| KY-JX-1800*1800 | 1800 | 3610 | ∅1100 | 400 | DN80 | DN25 |
| KY-JX-2000*1800 | 1800 | 3710 | ∅1200 | 400 | DN100 | DN32 |
| KY-JX-2200*1800 | 1800 | 3810 | ∅1400 | 400 | DN100 | DN32 |
| KY-JX-2500*2000 | 2000 | 3860 | ∅1500 | 400 | DN100 | DN32 |
We are thrilled to announce a significant milestone! Last week, we had the great pleasure of hosting the delegation from Turkey for a comprehensive factory audit at our Hangzhou facilities.The team delved into our production lines, quality control systems, and R&D capabilities. We showcased not just our machinery, but our commitment to excellence, transparency, and partnership.The result? Immediate trust and an on-the-spot order! This signature during the visit is more than a contract—it’s a powerful testament to the quality, professionalism, and confidence we build with every client.We are honored by this show of confidence and excited to embark on this new journey together. Here’s to a strong and successful partnership!
Hangzhou Keyuan Water Treatment Equipment Co., Ltd. Is a comprehensive enterprise specializing in the research and development, production, sales, and after-sales service of water treatment equipment. Our company mainly produces mechanical filters (quartz sand filters, activated carbon filters, mult
We are thrilled to announce a significant milestone! Last week, we had the great pleasure of hosting the delegation from Turkey for a comprehensive factory audit at our Hangzhou facilities. The team delved into our production lines, quality control systems, and R&D capabilities. We showcased not just our machinery, but our commitment to excellence, transparency, and partnership. The result? Immediate trust and an on-the-spot order! This signature during the visit is more than a contract—it’s a powerful testament to the quality, professionalism, and confidence we build with every client. We are honored by this show of confidence and excited to embark on this new journey together. Here’s to a strong and successful partnership!